
| Connections: | Threaded NPT or BSPT |
| Temperature range: | -20° to 406°F (-29° to 208°c) |
| Vacuum range | |
| (Type 215V): | 2" to 29" Hg (67.7 to 982 mbarg) |
| Pressure range: | 15 psig (1 barg) only |
| (Type 337): | 1 to 60 psig (0.07 to 4.1 barg) |
| Codes: | |
| Type 215V: | PED![]() |
| Type 337: | ASME VIII and PED![]() |


| No. | Part Name | 215V | 337 |
| 1 | Nozzle[1] | Bronze, SB62 or brass B283-C48500 | Bronze, SB62 or brass B283-C48500 |
| 2 | Set screw | Steel A108-1018 brass plated | Steel A108-1018 brass plated |
| 3 | Regulator ring | Bronze B584 alloy 84400 | Bronze B584 alloy 84400 |
| 4 | Disc[1] | Bronze B584 alloy 84400 | Bronze B584 alloy 84400 |
| 5 | Spring step | Steel A-109 coated[3] | Steel A-109 coated[3] |
| 6 | Spring | SS, A313 TY 302 or 17-7 | SS, A313 TY 302 or 17-7 |
| 7 | Body | Cast iron A-126, CL A or B | Iron A-126, CL A or B |
| 8 | Compression screw | Bronze, B-584 alloy 84400 | Bronze, B584-C84400 |
| 9 | Stem[2] | N/A | Brass B16 |
| 10 | Lift pin[2] | N/A | Steel, zinc plated |
| 11 | Regulator ring set screw | N/A | Brass B16 |
| 12 | NPT drainplug | Steel A108-1018 | N/A |
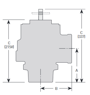
| Size inlet and outlet | Dimensions, in inch (mm) | ||||
| NPS (DN) | A | B | C 215V | C 337 | Weight lb (kg) |
| 2 (50.8) | 3 ¼ (82.5) | 3 (76.2) | 6 ½ (165.1) | 7 (177.8) | 8 (3.6) |
| 2½ (63.5) | 3 ¾ (95.2) | 3 ½ (88.9) | 7 ⅝ (194.6) | 8 (203.2) | 12 (5.4) |
| 3 (76.2) | 4 ¼ (107.9) | 4 (101.6) | 8 ½ (215.9) | 9 (228.6) | 20 (9.07) |
Dimensions are for reference only.

| Valve inlet and outlet size | |||
| 2” | 2½” | 3” | |
| Set pressure | orifice area, in2 | ||
| (psig) | 1.916 | 2.786 | 4.037 |
| 1 | 250 | 364 | 527 |
| 5 | 553 | 805 | 1166 |
| 10 | 773 | 1124 | 1628 |
| 15 | 988 | 1436 | 2081 |
| 20 | 1139 | 1656 | 2399 |
| 25 | 1290 | 1875 | 2718 |
| 30 | 1441 | 2095 | 3036 |
| 35 | 1607 | 2337 | 3386 |
| 40 | 1773 | 2578 | 3736 |
| 45 | 1939 | 2820 | 4086 |
| 50 | 2105 | 3061 | 4436 |
| 55 | 2271 | 3303 | 4786 |
| 60 | 2438 | 3544 | 5136 |
| Valve inlet and outlet size | |||
| 50 mm | 63 mm | 80 mm | |
| Set pressure | orifice area | ||
| (barg) | (12.361 cm2) | (17.974 cm2) | (26.045 cm2) |
| 0.5 | 1056 | 1536 | 2226 |
| 1.0 | 1468 | 2135 | 3094 |
| 1.5 | 1901 | 2765 | 4006 |
| 2.0 | 2251 | 3273 | 4743 |
| 2.5 | 2631 | 3825 | 5543 |
| 3.0 | 3015 | 4385 | 6553 |
| 3.5 | 3400 | 4944 | 7164 |
| 4.0 | 3784 | 5503 | 7974 |
| Valve inlet and outlet size | |||
| 2” | 2½” | 3” | |
| Relief set | orifice area, in2 | ||
| (in, HG) | 1.916 | 2.786 | 4.037 |
| 2 | 239 | 347 | 503 |
| 5 | 352 | 512 | 742 |
| 10 | 433 | 630 | 912 |
| 15 | 444 | 646 | 936 |
| 20 | 444 | 646 | 936 |
| 29 | 444 | 646 | 936 |
| Valve inlet and outlet size | |||
| 50 mm | 63 mm | 80 mm | |
| Relief set | orifice area | ||
| (mbarg) | (12.361 cm2) | (17.974 cm2) | (26.045 cm2) |
| 50 | 330 | 481 | 696 |
| 100 | 453 | 658 | 954 |
| 150 | 536 | 779 | 1129 |
| 200 | 597 | 868 | 1257 |
| 250 | 641 | 933 | 1351 |
| 300 | 673 | 979 | 1419 |
| 350 | 694 | 1010 | 1463 |
| 400 | 705 | 1026 | 1486 |
| 450 | 708 | 1030 | 1492 |
| 500 | 713 | 1037 | 1503 |
| 550 | 713 | 1037 | 1503 |
| 600 | 713 | 1037 | 1503 |
| 650 | 713 | 1037 | 1503 |
| 700 | 713 | 1037 | 1503 |
| 750 | 713 | 1037 | 1503 |
| Example: | 215 | - | H | 01 | A | Q | E | 0015 |
| Model 215V 0337 | ||||||||
| Inlet size H 2" (50.8 mm) J 2½" (63.5 mm) K 3" (76.2 mm)" | ||||||||
| Variation 01 Bronze disc and nozzle 03 SS disc and nozzle 60 BSPT connections 63 SS disc and nozzle with BSPT connections | ||||||||
| Design revision Indicates non-interchangeable revision Current design is at revision ’A’ | ||||||||
| Valve service K air ASME section VIII (model 337 only) Q Vacuum (model 215V only) N Non-code air/gas (model 337 only) | ||||||||
| Spring material 215V: E SST type 302 or type 17-7 337: E SST type 302 (H-orifice up to 8 psi; J-orifice up to 20 psi; K-orifice up to 25 psi) M SST type 17-7 (H-orifice above 8 psi; J-orifice above 20 psi; K-orifice above 25 psi) | ||||||||
| Set pressure 337 1 psig (0.7 barg) (0001) to 60 psig (4.1 barg) (0060) 215V 2" Hg (68 mbarg) (0002) to 29" Hg (982 mbarg) (0029) vacuum |